第4版:民生一线·财经
3上一版  下一版4
本版标题导航
第4版:民生一线·财经
2023年11月1日 放大 缩小 默认        

梅塘西路的路树爬满小虫子
园林部门:正在喷药处理

本报讯 (记者陈坚平)“这里的很多树上爬满了小虫子,让人感到很不舒服。”近日,市民张先生致电本报《民生一线》栏目,反映梅城江北梅塘西路两侧的路树遭到虫害,地上都是虫子的粪便和被咬碎的树叶,大家都不敢在树下行走,希望有关部门及时消除虫害。

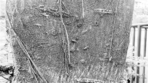
接到市民反映后,记者第一时间来到了现场。记者在梅塘西路和楣杆南路交叉路口看到,多棵路树受到了虫子的严重侵害,树干上爬满了类似“毛毛虫”的虫子(如图,陈坚平摄),树木的大部分树叶已被吃光了,只剩下光秃秃的树枝,人行道的地面上落满了被虫子咬碎的树叶和虫子的粪便,停在路边的汽车也无法“幸免”。

“这种情况持续了有一段时间,这些虫子会从树上爬下来,爬进周围的店铺内,我们隔一小段时间就要清理一次。”市民张先生告诉记者,看到这么多“毛毛虫”在地上蠕动,让人浑身起鸡皮疙瘩。

记者走访发现,除了梅塘西路外,人民北路路树的树干上也有这些虫子的身影。市民李先生告诉记者,因为路树上的虫子太多,担心虫子会掉落在身上,因此很多市民都选择绕行。“这种虫子会分泌黏液,怕接触到后会引起皮肤过敏等症状。我们尝试过用杀虫喷剂或者消毒粉等方式除虫,但效果不明显。”

10月31日,梅县区城市管理和综合执法局园林所的工作人员告诉记者,这些小虫子是朱红毛斑蛾的幼虫,榕树比较容易滋生这些虫害,运营单位于10月中旬已安排过一次喷药除虫。

因前期天气湿热骤变,道路树木滋生虫害,园林管养公司会在10月30日至11月1日每晚10时起至凌晨6时,对梅县区人民北路、嘉应西一巷、梅塘西路、中环一路、建设路、宪梓北路、广梅路、府前大道、人民南路等路段进行雾炮车高空除虫作业,争取尽早消灭病虫害。

 
 
上一篇  下一篇  
 
关闭